单纤双向 BIDI SFP光模块
发布时间:2025-02-06 09:31:09
发布者:卡卡湾88科技
浏览次数:521BIDI(全称 Bidirectional ) SFP光模块是一款极具创新性的单纤双向光模块。它巧妙运用波分复用(WDM)技术,能在一根光纤上实现两个方向的数据同步传输。发送端和接收端分别采用不同波长,常见的如 1310nm 和 1550nm,就像在一条光纤 “高速公路” 上,开辟出两条不同波长的 “车道”,让数据得以高效且有序地双向通行。
传统双纤光模块在数据传输时,需要两根光纤分别承担发送和接收任务。而 BIDI SFP光模块仅需一根光纤,便能完成同样的工作。以一个拥有 1000 个网络节点的大规模布线项目为例,若采用传统双纤方案,光纤采购成本将是一笔巨大开支;而使用单纤双向的BIDI光模块,可直接减少一半的光纤采购量,成本大幅降低。此外,光纤数量的减少,还意味着布线施工难度降低、维护成本减少,从长期来看,为企业节省了大量资金。
在空间有限的机房中,密密麻麻的线缆常常让人望而生畏。BIDI SFP 光模块单纤双向的设计,极大地简化了布线流程。原本需要铺设两根光纤的位置,现在只需一根即可,有效减少了线缆的杂乱程度。这不仅让机房看起来更加整洁美观,更便于日常管理和维护。而且,简化的布线结构使得故障排查变得更加容易,大大降低了故障发生的概率,提升了整个网络系统的可靠性。

产品特性:
SFP MSA封装,支持热插拔
单纤双向,LC或SC连接器
支持速率:155Mbps,622Mbps,1.25Gbps,2.5Gbps,3.125Gbps
在9/125μm SMF传输高达160km
单3.3V电源和CML逻辑电平
带数字诊断功能,符合SFF-8472
极低的电磁干扰和优良的ESD保护
该产品提供全国产化方案
产品等级:
军品工业级(J):-40°C/-45°C~+85°C
军品扩展工业级(M):-55°C~+85°C
产品应用:
百兆以太网交换机和路由器
光纤交换机基础设施
其他光学链接
执行标准:
符合I类激光安全标准IEC-60825
SFF-8472
ROHS2.0
ONETOC-24/SDHSTM-8
订购信息表:
| 型号 | 速率 | 波长 | 传输距离 | 光纤类型 | 数据诊断 | 接口 | 工作温度(注1) |
| DTABS**(注2)-KK*(注3)L*(注1)1 | 155M | 见波长代码表 | 10km | 单模 | 带 | LC/SC | J/M |
| DTABS**(注2)-KK*(注3)G*(注1)1 | 155M | 见波长代码表 | 20km | 单模 | 带 | LC/SC | J/M |
| DTABS**(注2)-KK*(注3)E*(注1)1 | 155M | 见波长代码表 | 40km | 单模 | 带 | LC/SC | J/M |
| DTABS**(注2)-KK*(注3)Z*(注1)1 | 155M | 见波长代码表 | 80km | 单模 | 带 | LC/SC | J/M |
| DTABS**(注2)-KK*(注3)Q*(注1)1 | 155M | 见波长代码表 | 120km | 单模 | 带 | LC/SC | J/M |
| DTABS**(注2)-KK*(注3)B*(注1)1 | 155M | 见波长代码表 | 160km | 单模 | 带 | LC/SC | J/M |
| DTABS**(注2)-RR*(注3)L*(注1)1 | 622M | 见波长代码表 | 10km | 单模 | 带 | LC/SC | J/M |
| DTABS**(注2)-RR*(注3)G*(注1)1 | 622M | 见波长代码表 | 20km | 单模 | 带 | LC/SC | J/M |
| DTABS**(注2)-RR*(注3)E*(注1)1 | 622M | 见波长代码表 | 40km | 单模 | 带 | LC/SC | J/M |
| DTABS**(注2)-RR*(注3)Z*(注1)1 | 622M | 见波长代码表 | 80km | 单模 | 带 | LC/SC | J/M |
| DTABS**(注2)-RR*(注3)Q*(注1)1 | 622M | 见波长代码表 | 120km | 单模 | 带 | LC/SC | J/M |
| DTABS**(注2)-RR*(注3)B*(注1)1 | 622M | 见波长代码表 | 160km | 单模 | 带 | LC/SC | J/M |
| DTABS**(注2)-11*(注3)L*(注1)1 | 1.25G | 见波长代码表 | 10m | 单模 | 带 | LC/SC | J/M |
| DTABS**(注2)-11*(注3)G*(注1)1 | 1.25G | 见波长代码表 | 20km | 单模 | 带 | LC/SC | J/M |
| DTABS**(注2)-11*(注3)E*(注1)1 | 1.25G | 见波长代码表 | 40km | 单模 | 带 | LC/SC | J/M |
| DTABS**(注2)-11*(注3)Z*(注1)1 | 1.25G | 见波长代码表 | 80km | 单模 | 带 | LC/SC | J/M |
| DTABS**(注2)-11*(注3)Q*(注1)1 | 1.25G | 见波长代码表 | 120km | 单模 | 带 | LC/SC | J/M |
| DTABS**(注2)-11*(注3)B*(注1)1 | 1.25G | 见波长代码表 | 160km | 单模 | 带 | LC/SC | J/M |
| DTABS**(注2)-22*(注3)L*(注1)1 | 2.5G | 见波长代码表 | 10km | 单模 | 带 | LC/SC | J/M |
| DTABS**(注2)-22*(注3)G*(注1)1 | 2.5G | 见波长代码表 | 20km | 单模 | 带 | LC/SC | J/M |
| DTABS**(注2)-22*(注3)E*(注1)1 | 2.5G | 见波长代码表 | 40km | 单模 | 带 | LC/SC | J/M |
| DTABS**(注2)-22*(注3)Z*(注1)1 | 2.5G | 见波长代码表 | 80km | 单模 | 带 | LC/SC | J/M |
| DTABS**(注2)-22*(注3)Q*(注1)1 | 2.5G | 见波长代码表 | 120km | 单模 | 带 | LC/SC | J/M |
注1:外壳温度,“*”表示模块工作温度,“*”=J时表示模块工作温度为-45°C~85°C,“*”=M时表示模块工作温度为-55°C~85°C
注2:“**”表示模块收发端波长,详见波长代码表.
注3:“*”表示模块接口,S=SC接口。L=LC接口。
波长对应代码表:
| 代码 | 发端波长 | 收端波长 |
| P3 | 1310nm | 1330nm |
| P4 | 1330nm | 1310nm |
| P5 | 1270nm | 1310nm |
| P6 | 1310nm | 1270nm |
| P7 | 1270nm | 1330nm |
| P8 | 1330nm | 1270nm |
| P9 | 1310nm | 1550nm |
| Q2 | 1550nm | 1310nm |
| Q3 | 1270nm | 1450nm |
| Q4 | 1450nm | 1270nm |
| Q8 | 1490nm | 1550nm |
| Q9 | 1550nm | 1490nm |
| R2 | 1490nm | 1310nm |
| R3 | 1310nm | 1490nm |
| R4 | 1370nm | 850nm |
| R5 | 850nm | 1370nm |
| R6 | 1550nm | 850nm |
| R7 | 850nm | 1550nm |
| S1 | 1570nm | 1510nm |
| S2 | 1510nm | 1570nm |
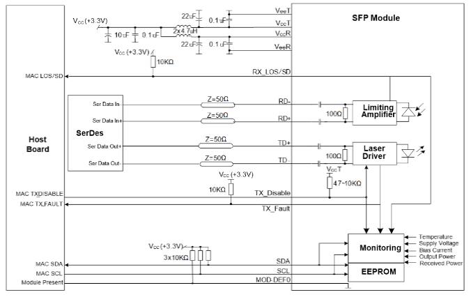
建议的电路接口:

SC接口模块尺寸图:(单位为毫米)

LC接口模块尺寸图:(单位为毫米)






