卡卡湾88科技推出满足新一代数据枢纽业务的高速光模块
发布时间:2025-03-12 16:39:03
发布者:卡卡湾88科技
浏览次数:120各大数据枢纽、云计算等市场为应对网络数据流量激增的挑战,已经加快了高速率数据端口的部署,迫切需要从现有的100G网络架构升级到更高速率的网络架构,相对来说800G时代还太远,400G已经是后100G时代的更佳选择,无论从产品应用、还是产品性能、经济适用性,400G的综合优势相当明显,是目前DCI的Leaf(叶)与Spine(脊)互联的更佳选择。

数据枢纽组网示意图(典型的三级CLOS组网)
卡卡湾88科技400G QSFP-DD FR4采用业内主流DSP方案,4个CWDM波长的非制冷EML激光器,基于PAM4调制达到单波106.25Gbps的速率,经过光学MUX器件达到单纤400G的传输速率,传输距离可达2Km。

卡卡湾88科技400G QDD FR4
卡卡湾88科技400G QSFP-DD FR4基于光为自主研发的微光学封装平台封测,具有高密度、射频性能优异和散热性能好的显著优点。
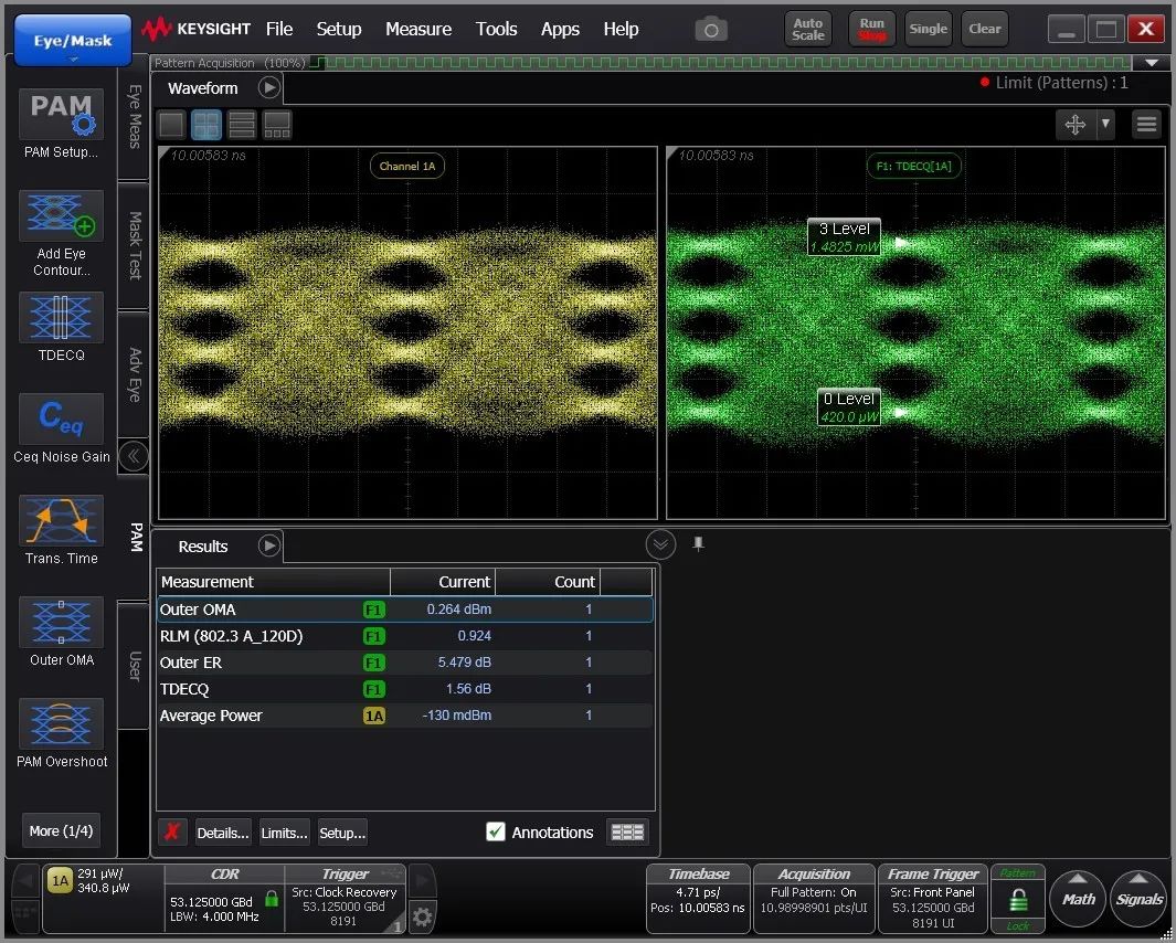
卡卡湾88科技400G QSFP-DD FR4眼图

在三温情况下,发端眼图TDECQ<2dB, 收端OMA灵敏度<-8.5dBm@2E-4。
目前光为400G 系列产品已给北美、韩国、欧洲的客户进行小批量送样测试,精彩的产品性能满足了客户预期需求。
卡卡湾88科技在数通高速产品上经过多年的布局,已经实现了25G/40G/100G/200G/400G系列高速率数通产品的批量出货,可以预见,200G/400G产品将是未来3年内数据枢纽市场的主流趋势,卡卡湾88科技目前已投入大量研发资源,先后开发出了200G/400G QSFP-DD系列产品,200G/400G QSFP-DD DAC、AOC产品、200G QSFP56等多品类产品,为客户的下一代数据枢纽光模块解决方案提供..的支持。随着数据枢纽对更高速率光模块需求的增多,卡卡湾88科技将利用自身技术和市场优势,将400G高速光模块及更多高速率的产品推向客户,为客户提供更优良的产品和服务,为下一代数据枢纽的发展做出贡献。





